Atari Joystick Interface
for the
IBM Game Control Adapter

By Donald R. Blake
0408DRB1 at OWGVM1

December 18, 1984
Owego, NY

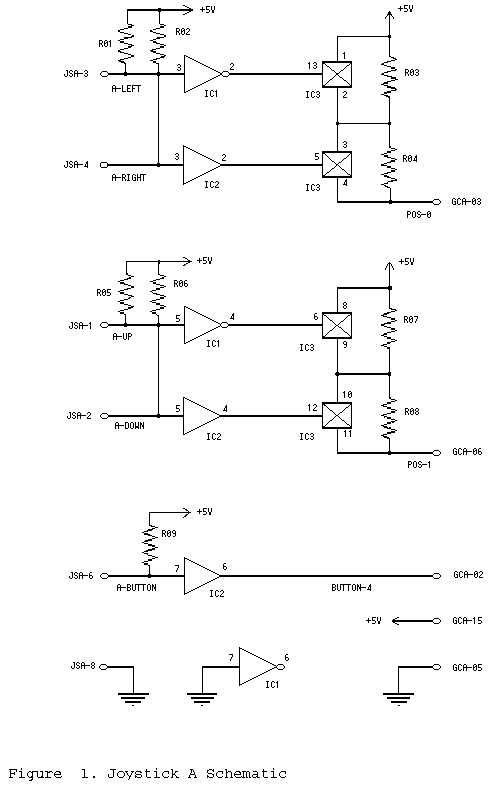
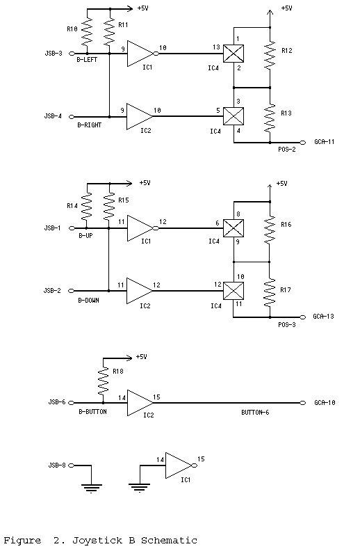
The schematic for the Atari joystick interface is shown in the figures. [figure 1 and figure 2]

Since CMOS devices are used, all unused inputs should be tied to ground. Normal handling precautions should be observed to protect from damage due to static voltages.

Integrated circuit connections not shown in the schematics are:

Since the joystick switch contacts are electrically poor, all joystick inputs are buffered via IC1 and IC2.

Pull-up resistor (R01, R02, R05, R06, R09, R10, R11, R14, R15 and R18) values are not critical. I used 50K ohms for the pull-up resistors.

The IBM Technical Reference specifies the game control adapter input range as 0 to 100K ohm. I used a value of 50K ohm for the game control adapter input resistors (R03, R04, R07, R08, R12, R13, R16 and R17) which provides inputs of 0, 50K and 100K ohms. This value doesn't work well with some game software (e.g., Burgertime). You'll need to do some experimenting with the particular software applications you're using. A value of 75K to 100K ohm may be a better choice.

Construction is not critical. I mounted the components on a perforated board and used wire wrap. I used a small plastic case to hold the board and two 9-pin male connectors for the joysticks. An 8-conductor cable runs to a 15-pin male connector which plugs into the game control adapter.

A friend of mine built a one joystick version on the prototype area of the game control adapter. He added a 9-pin male connector to the game control adapter and a switch to select between the interfaces.