Opis konstrukcji kardridża od AST Turbo

Autorem tego artykułu jest: MICHAŁ SZWANKE
Stronę wykonał i dostarczył: MICHAŁ SZWANKE

Atari Super Turbo było jednym z kilku rozpowszechnionych systemów turbo w Polsce i doczekało się również kilku modyfikacji. Było specjalnym systemem bardzo szybkiej transmisji danych z magnetofonu do komputera, umożliwiajacym bezbłędna komunikację i bardzo szybkie wczytywanie (praktycznie poniżej 3 minut dla najdłuższych programów, których czas wczytywania w normalnym systemie sięgał 20-30 minut). Charakteryzowało się dwuczęsciowym systemem wczytywania, pierwszym blokiem był nagłówek z nazwa gry beda programu, po nim następował jeden długi blok z danymi gry lub programu. Po wczytaniu bloku głównego następował automatyczny stop silnika megnetofonu i uruchomienie programu. System AST Turbo występował w kilku odmianach różniacych się nieco szybkoscia przesyłania zależna od typu zastosowanego magnetofonu. Pierwsza wersja systemu AST składała się z kasety z oprogramowaniem systemowym i przeróbki magnetofonu - wstawienia do srodka małej płytki dodatkowej. Ostatnia wersja tego systemu to przeróbka magnetofonu plus kardridż systemowy zawierajacy wszystkie programy z kasety.

Rys.1. Tak wyglada zmontowany i uruchomiony moduł AST Turbo.
Do konstrukcji kardridża potrzebne sa następujace elmenty:
  • Rezystor 3k o mocy 0,125W do 0,25W
  • Kondensator elektrolityczny 10uF/16V
  • Układ scalony UCY 7474 lub UCY 74LS74
  • Eprom 2764 lub 27C64
  • Obudowa do kardridża
  • Jedna sruba typu blachowkręt
UWAGA:
Jeżeli będziesz korzystał z epromu 27C64 (wersja CMOS) to wypadało by aby druga kosć była wersja szybka i o obniżonym poborze mocy, czyli 74LS74

Eprom należy jeszcze zaprogramować. Zawartosć epromu znajduje się w pliku ast.binPo zaprogramowaniu epromu zawartoscia z pliku, należy eprom zakleić tak aby nie nastapiło przypadkowe skasowanie kosci.

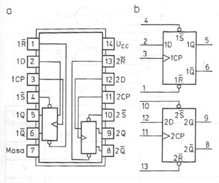
Rys.2. Topologia układu 7474.
Monolityczny układ scalony UCY7474 lub UCY74LS74 zawiera dwa niezależne od siebie przerzutniki typu D serii małej mocy Schottky'ego, wyzwalane dodatnim zboczem impulsu zegarowego. Każdy przerzutnik ma wejscie zegarowe T, wejscie informacyjne D, asynchroniczne wejscia do ustawiania -S i zerowania -R oraz komplementarne wyjscia Q i -Q.

Przesunięcie informacji z wejscia D na wyjscie Q następuje w czasie zmiany stanu z niskiego na wysoki na wejsciu zegarowym. Zmiana stanu na wejsciu zegarowym nie powinna trwać dłużej niż wynosi czas opóznienia propagacji sygnału od wejscia zegarowego do wyjscia.
Dane na wejsciu informacyjnym D powinny być stabilne w czasie jednego czasu ustalania (ts = 20 ns) przed najbliższym dodatnim zboczem impulsu zegarowego. Stan niski na asynchronicznych wejsciach ustawiania -S lub zerowania -R wymusza stan wysoki na odpowiednim wyjsciu, niezależnie od stanów na wejsciach zegarowym T i informacyjnym D. Innymi słowy układ ten wytwarza sygnały niezbędne do "zabootowania" kardridża.

Obraz płytki, jej strony górnej i dolnej, znajduje się w pliku ast20-1.pcb Płytka jest zapisana w formacie Protel PCB, programu służacego do projektowania obwodów elektronicznych. Aby uzyskać płytkę należy dostarczyć plik ast10-1.pcb do jakiejkolwiek firmy która profesjonalnie wykonuje obwody drukowane. Tam zostanie wykonana klisza obu stron płytki i wytrawiona płytka. Oprócz wytrawienia płytki należy ja przyciać, pocynować i powiercić otwory. Wszystkie te prace powinna wykonać firma w której płytka jest trawiona. Gdy płytka będzie już gotowa można przystapić do montażu elementów według zamieszczonych niżej rysunków. Cały kardridż jest mało skomplikowany więc nie powinno być problemów ze znalezieniem miejsca na płytce pod okreslone elementy.

Rys.3. Górna strona

Rys.4. Dolna strona modułu.

Każdy układ scalony na płytce ma dla pewnosci oznaczona pierwsza nóżkę jako kwadratowe pole lutownicze, oraz przy pomocy cyfry (1), a wszystkie elementy lutujemy po górnej stronie plytki. Na płytce, dla pewnosci sa napisy oznaczajace stronę płytki. W płytkę trzeba jeszcze wlutować dwa kawałki drutu, obok krosów (krótkich przewodów łaczacych wybrane scieżki. Na górnej stronie płytki krosy sa cztery, a na dolnej jeden.) przy złaczu i polutować je z obu stron płytki tak, by utworzyć połaczenie między dwoma stronami płytki. Kondensator należy wlutować zgodnie z biegunowoscia, na płytce sa oznaczone bieguny poprzez + i -.

>UWAGA:<Ponieważ płytka jest dwustronna to wszystkie punkty lutownicze należy lutować z obu stron, wymaga to zręcznosci w lutowaniu, ale jest do zrobienia.

Pierwsze dwa rysunki (Rys.5. oraz Rys.6.) to wyglad obu stron płytki, natomiast pozostałe dwa (Rys.7. i Rys.8.) to sposób montażu krosów i elementów na płytce.

Powrot