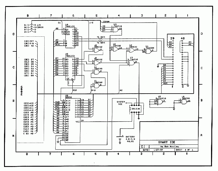
Here are some pics of a Maxtor 80 meg 2.5 inch hard drive mounted in a 1200XL along with the schamatic of the SmartOS/SmartIDE interface ripoff board. You can also see the SmartOS
board that the interface in built on. A cool and very easy mod to make for your Atari.