VOL. 4, NO. 8 / DECEMBER 1985 / PAGE 69
EPROG
by Larry Woodgeard
EPROG (EPROM Programmer) is designed to read or program three popular types
of EPROMs: 2716, 2732, and 2764. It consists of an assembly language program and
hardware circuitry, and it works out of joystick ports 1 and 2.
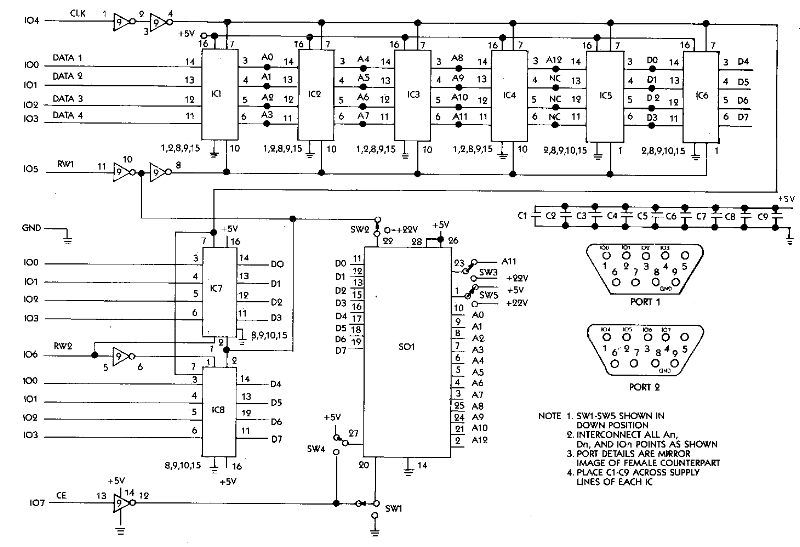
The majority of the EPROG circuitry (see Figure 1) consists of IC1 thru
IC8 which are 4-bit tri-state D-latches. Port 1 does data transfer 4 bits at a
time. The 4 bits of Port 2 are used as control signals. IC9 is used as a buffer
and signal inverter. The five mode switches SW1 thru SW5 are used to select
programming requirements for the three different devices. We also need a power
supply to provide +5 volts and + 22 volts.
BUILDING AND USING EPROG
by Charles Cherry
When Antic received EPROG, we knew immediately we wanted to publish it. We were sure it functioned properly for its designer; Larry Woodgeard, but we wanted to make sure our readers could build and operate it. We asked Charles Cherry, whom we knew to have the technical background for this kind of project, to build the EPROG from scratch and describe his experience-and the pitfalls. -ANTIC ED.
The first thing you should notice about this project is that it plugs into
the wall. This means dangerous voltages are present so it should be built and
used with proper caution.
The second thing to note is there are
no buffers or isolators between the EPROG and your Atari. So when you get it
assembled and are ready to test it for the first time, you might unplug your
RAMdisk, 80-column card and other custom hardware. Chances are everything will
work fine, but if you make a mistake you could damage the computer.
Fiqure 3
PARTS LIST
IC1-IC8.........................SN74LS173
IC9..............................MM74Cl4N
SW1-SW.............SPDT SWITCHES (275-625)
Cl-C9.........0.1 MF CAPACITORS (272-1069)
MISCELLANEOUS
8ea....16 PIN WIRE-WRAP SOCKETS
(276-1998)
1ea....14 PIN WIRE-WRAP SOCKETS
(276-1993)
1ea...............IC BREADBOARD
(276-1394)
2ea..............JOYSTICK CORDS
(276-1537)
1ea......................28 PIN ZIF
SOCKET
etc.......................................
POWER SUPPLY PARTS LIST
T1........24VAC CT 450MA
XFORMER (273-1366)
IC10...........317T IC
REGULATOR (276-1778)
IC11...........7805 IC
REGULATOR (276-1770)
C2...1500MF 16V CAPACITOR
(use two 272-958)
C1,C3........220MF 35V
CAPACITOR (272-1029)
D1-D4...............1N4001 DIODE (276-1101)
S1 ............SPST 25OVAC SWITCH (275-602)
F1.....................1AGX FUSE (270-1271)
R2.........240 OHM 1/4W RESISTOR (271-1313)
R1........3.6K OHM 1/4W RESISTOR (271-1328)
R3.....................1K OHM POT (271-218)
MISCELLANEOUS
2ea....................HEATSINKS
(276-1366)
1ea....................LINE CORD
(278-1255)
1ea...................FUSE HOLDER
(270-362)
1ea......................SUITABLE
ENCLOSURE
etc........................................
GETTING THE PARTS
The EPROG hardware can be
built on a breadboard, but for greater permanence, I chose a perf board. All
parts except the chips and the ZIF (Zero Insertion Force) socket are available
from Radio Shack. (Radio Shack part numbers are in parentheses on the Parts
List-See Figure 3.).
The chips and socket can be
obtained from most mail order companies (e.g. Jameco Electronics, 1355 Shoreway
Road, Belmont, CA 94002). You can save a whole lot of money if you shop around
for the parts. I was in a hurry so I spent about $60. You should be able to cut
that in half.
This was the first IC project I ever built
without a printed circuit board. I hope you can learn from my mistakes. Since I
had no wire-wrap experience or tools, I decided on point-to-point soldering
using some 22-gauge wire I had in my kit. A big mistake. It can be done, but it
ain't easy. When I got finished, the thing did not work.
So I
rebuilt it using wire wrap. It still did not work, but it was easier to check
the wiring.
After hours of brain numbing trouble-shooting,
designer Larry Woodgeard, discovered that the slide switches I had scrounged
were make-before-break types and they blew the chips during switching.
Pitfalls 1 & 2: Use wire wrap, and be certain that you use
break-before-make switches.
THE SCHEMATIC
Study the schematic (Figure 1)
carefully before you lay out the board. Notice that the wires from joystick port
1 go to IC1 and the wires from joystick port 2 go to IC9. Look at the way IC9
(which is scattered around the schematic) is connected. Note that IC9 is a CMOS
chip and must be handled with appropriate safeguards against static discharges.
Install the sockets and switches, but do not install the chips
until the circuit has been tested. If you're smarter than I was, you'll get some
of those labels which slide onto the sockets and identify the pins. Lay in the +
5V and ground busses and connect them. Then install capacitors Cl-C9 as close as
possible to the power supply pins on the ICs.
Now, methodically
connect all the pins, starting with IC 1-be sure to check and recheck each
hookup. Notice that pin 8 on IC9 connects to pin 10 on IC1-IC4, but it connects
to pin 1 on IC5 and IC6. Conversely, pin 1 on IC1-IC4 and pin 10 on IC5 and IC6
go to ground.
Be very patient and don't try to do it all in one
sitting. Use a low wattage iron (25 W or so), the smallest tip you can find, and
your best technique. If you have trouble translating the diagram into real
circuits, find someone who can read schematics to help you. It can be very
difficult to troubleshoot an IC circuit, so take the time to get it right the
first time.
WHERE THERE'S SMOKE...
When you have wired
the EPROG, install the power supply (see Figure 2). Any supply which
delivers + 5VDC @ 300 ma. and + 22VDC @ 100 ma. will do. The diagrammed one is
simple and works. You will need a voltmeter to adjust the output by tweaking R3.
When you get the proper voltages, connect the power supply to
the EPROG circuitry. Then power up and let it run for a while. Flip all the
switches to see if anything heats up or smokes.
Everything
okay? Turn off the power and double-check your wiring one more time. Now, flip
all the switches down and install the chips. Again be careful with IC9-it's a
CMOS, so be sure and ground yourself to avoid stray static. Put in an EPROM,
turn the power on-without plugging into your computer-and check for hot ICs or
smoke. Flip all the switches again. If it still seems okay, plug in the Atari
and run the program. Good luck!
BURNING THE CHIP
The EPROG software is
designed to program the EPROM from code in a fixed buffer and to read the EPROM
back into the same buffer. Buffer location depends on the type of EPROM used.
The buffer for the 2716 is $8800 to $8FFF, the 2732 buffer is $8000 to $8FFF,
and the 2764 buffer is $7000 to $8FFF.
EPROG must be used with
a debugger or monitor, so after you've typed in, assembled, and created your
object file, use your debugger to load EPROG and type "Go $6000".
The program will prompt you for chip number, read or write, and
switch configuration. Following the screen prompts, read the EPROM, then return
to the debugger and display the EPROM buffer area. If the EPROM is unprogrammed
(or erased) -the buffer will be all FFs. If the EPROM has not been erased, it
cannot be programmed. Either replace it, or erase it with ultra-violet light, as
mentioned previously.
Load or relocate the code you want to
burn onto the EPROM. When the code is in the proper buffer call EPROG again with
"Go $6000" and program the chip.
My debugger is BUG/65, from
Optimized Systems Software, and I had to make one modification. The EPROG
program cycle ends with a BRK instruction. Most debuggers regain control at this
point, but not BUG/65. Instead I changed the final instruction to RTS and used
"U 6000" (user) to call EPROG.
MAKING CARTRIDGES
When venturing forth into
new territories it is always wise to get an expert guide. So I went over to
American TV (15338 Inverness Street, San Leandro, CA 94577) for advice about
making cartridges. The Atari 16K cartridge uses ROM chips which are compatible
with the 2764. All you have to do is plug your EPROMs into the sockets.
However the 8K Atari cartridges were designed for 2532
compatible ROMs, which EPROG cannot program. Luckily, there are modification
boards for these cartridges which allow you to use 2732s. American TV has all of
these cartridges, boards, kits and instructions available.
If
you want to delve into the mysteries of operating system modification, the
people to contact are Newell Industries (3340 Nothingham Lane, Plano, TX 75074).
They make the RAMrod board which will take 2732 EPROMs on the Atari 800 and 400.
However the XL/XE RAMrod board uses 27128s. If you have an XL/XE you will have
to fabricate your own EPROM board.
This is an exciting and
challenging project. If you are experienced with digital circuits or can find
someone to assist you, give it a try.