STEREO by C.P.U. (2006) , Robert Petružela (Bob!k) & Radek Štěrba (Raster)

Česky - English

4.6.2007 - Popis aktualizován a doplněn dalšími fotografiemi.
27.6.2007 - Anglickou verzi stránky vytvořil Pepax. (Díky!)

Důležitá upozornění:
Pokud si budete vyrábět stereo rozšíření dle následujího schématu a popisu, činíte tak na vlastní nebezpečí!
Záměrem autorů bylo vytvořit pokud možno co nejméně invazivní řešení bez nevratných změn v zapojení Atari a bez poškozování chipů Pokey ohýbáním jejich nožiček. (V některých drastických návodech je dokonce zmiňováno uštipování nepoužitých nožiček - to prosím nikdy nedělejte!) Při jakýchkoliv úpravách prosím vždy postupujte opatrně a neničte Atari techniku.

Popis:
Stereo rozšíření 8bit Atari řady XE. Ze základní desky Atari se mikropájkou velmi opatrně odpájí chip Pokey a nahradí se precizní paticí. Do této patice se pak zasune rozšiřující stereo destička, na níž se nachází v paticích dva Pokey chipy a další doplňující elektronika s operačním zesilovačem. Dále toto řešení podporuje přepínání mono/stereo, přímíchání BELL signálu (akustický signál klávesnice, bzučák) z GTIA chipu do obou stereo kanálů a přimíchání pravého kanálu do audio signálu na 5 kolíkovém konektoru pro monitor a do audio signálu TV modulátoru.

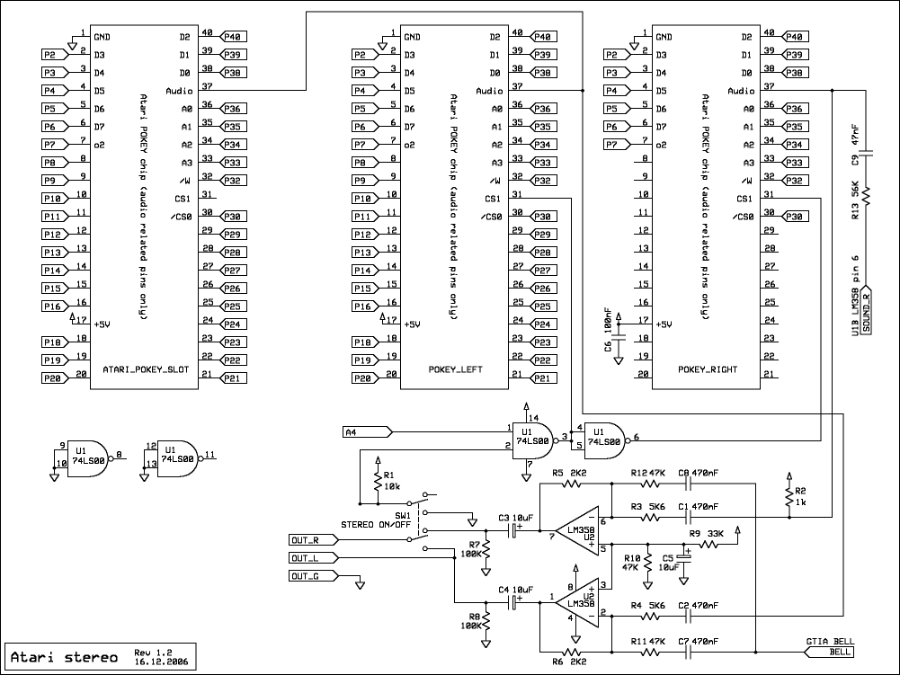
Schéma:
Kliknutím zobrazíte nezmenšenou verzi schématu.
(Kliknutím zobrazení nezmenšené verze schématu
nebo PDF soubor schématu.)

PCB:
Kliknutím načtete tiskový soubor PDF.
(Zrcadlově otočené - pohled ze strany součástek - kliknutím download PDF tiskového souboru.)

Součástky:
ATARI_POKEY_SLOT ... oboustranné kolíky DIL40 (2 x 20pinů)
POKEY_LEFT ... patice DIL40 + Atari POKEY chip
POKEY_RIGHT ... patice DIL40 + Atari POKEY chip
SW1 ... přepínač 2 póly 2 polohy
C1,C2,C7,C8 ... 470nF
C3,C4,C5 ... 10uF
C6 ... 100nF
C9 ... 47nF
R1 ... 10K
R2 ... 1K
R3,R4 ... 5K6
R5,R6 ... 2K2
R7,R8 ... 100K
R9 ... 33K
R10,R11,R12 ... 47K
R13 ... 56K
U1 ... 74LS00
U2 ... LM358

Poznámka: Nezapomeňte, že ještě budete potřebovat jednu patici DIL40 pro zapájení na základní desku Atárka místo původního Pokey chipu, do které se bude zasouvat jedna strana oboustranných kolíků.
(Celkem tedy 3 patice, nejlépe všechny v precizním provedení.)

Na spodní straně PCB jsou umístěny pouze oboustranné kolíky (kvůli připájení je nutno je z bočních stran obrousit, aby se z boční strany odkryl vodivý povrch válečků), všechny ostatní součástky se nachází na horní straně PCB.

Oboustranné kolíky pájejte na destičku až jako poslední, abyste si neznemožnili přístup pro zapájení precizní patice (POKEY_LEFT).
Pokey chipy zasouvejte do patic na destičce až po dokončení všech pájecích prací.

Osazení PCB:
Kliknutím zobrazíte nezmenšenou verzi obrázku osazení PCB.
(Kliknutím zobrazení nezmenšené verze osazení PCB.)
A4 ... připojeno na adresovou sběrnici Atari - signál A4. Lze ho najít například na CPU6502 pin 13, nebo na chipu ANTIC pin 28, nebo na chipu GTIA pin 38, nebo jinde.
SOUND_R ... připojeno do Atari na pin 6 chipu U1B (LM358). Tento chip se nachází blízko u TV modulátoru.
BELL ... připojeno do Atari na pin 15 (S3) chipu GTIA (signál BELL).
OUT_G ... zemnění obou audio výstupních cinch konektorů (Ground). 
OUT_L ... audio výstup na cinch konektor (Left).
OUT_R ... audio výstup na cinch konektor (Right).
Pro vedení audio signálů je doporučeno použít stíněný kabel.
Připojení přepínače stereo on/off.
Signály 4,5,6 jsou audio, proto je doporučeno pro jejich vedení k přepínači k pinům 4,5,6 použít stíněný kabel. Signál 3 je zem - tudíž ho můžeme využít právě pro stínění signálů 4,5,6 a současně pro pin 3 přepínače, který v poloze "stereo off" spojuje zem na pin 2 přepínače. Pin 1 na přepínači není použit. 


Fotografie stereo destičky.
(Pohled ze spodní strany - strana spojů.)

Fotografie osazené stereo destičky.
(Pohled z horní strany - strana součástek.)

Součástky: vlevo precizní patice DIL40, vpravo oboustranné kolíky DIL40.
(Z našeho pohledu viditelná strana kolíků se zapájí do stereo destičky, opačná strana se pak spolu s celou destičkou zasouvá do precizní patice v Atárku.)

Dolní strana stereo destičky. Kvůli připájení je nutno oboustranné kolíky z bočních stran obrousit, aby se z boční strany odkryl vodivý povrch válečků.

Konektory cinch pro stereo výstup lze umístit například nad TV modulátor.
Vpravo vedle modulátoru je vidět chip U1B (LM358), na jehož pin 6 je přiveden signál SOUND_R ze stereo destičky (bílý drát).
(Poznámka: Ostatní bílé a oranžové vodiče v oblasti pravého horního rohu nesouvisí se stereo rozšířením.)

Atárko se zapájenou precizní paticí, do níž se místo Pokey chipu zasune stereo destička. (Kdykoliv v budoucnu lze stereo destičku vysunout, všechny její vodiče odstranit a do patice zasunout původní Pokey chip.)

Celkový pohled na destičku zasunutou do Atari. Trojice černých stíněných vodičů a modrý vodič jsou vedeny k boční straně Atari k přepínači mono/stereo. Dále černá stíněná dvojlinka vede k výstupním cinch konektorům. Další modrý vodič přivádí signál BELL z chipu GTIA. Dva bílé vodiče na protilehlé straně jsou signál A4 a SOUND_R.
(Poznámka: Ostatní vodiče a přepínače na boční straně Atari nesouvisí se stereo rozšířením - v tomto Atárku je zabudováno i rozšíření paměti a přepínání OS.)

Vyrobil Radek Štěrba, © RASTER